Pengapit Pengangkat Rasuk: Pengangkat Selamat Rasuk I dan Rel Keluli

Pengapit pengangkat rasuk ialah peranti pengangkat khusus yang direka untuk pengangkatan dan pengendalian rasuk struktur, kekuda dan bahan berat lain yang panjang dan berat yang digunakan dalam pembinaan, pembuatan dan industri berkaitan dengan selamat. Pengapit ini direka bentuk untuk mencengkam dengan selamat pada pelbagai jenis rasuk, seperti rasuk-I dan rasuk-H, membolehkannya diangkat dan diangkut dengan kren atau peralatan angkat lain. Ia digunakan secara meluas dalam pembinaan bangunan, jambatan, dan projek infrastruktur berskala besar lain.

Pengapit Mengangkat Rasuk

Pengapit Mengangkat Rasuk

Pengenalan Produk

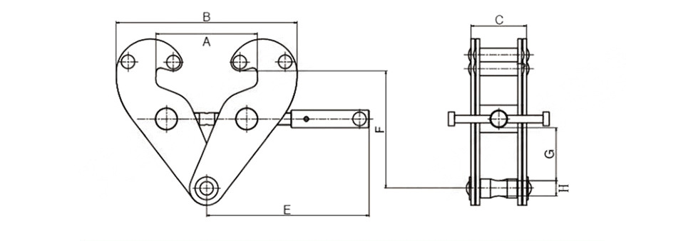
Bahagian Pengapit Pengangkat Rasuk
Laras Pengapit Pengangkat Rasuk
Penggunaan Pengapit Pengangkat Rasuk
  • Diperbuat daripada keluli aloi karbon rendah berkualiti tinggi, menawarkan rintangan hentaman yang sangat baik, kapasiti beban tinggi dan keliatan yang baik.
  • Titik angkat tengah dengan reka bentuk alur memastikan beban dipusatkan, menghalang pengangkatan di luar pusat.
  • Rod skru boleh laras secara manual membolehkan pelarasan lebar mudah untuk saiz rasuk yang berbeza.
  • Lima titik galas beban ditekan mesin sepenuhnya, menjadikan pengangkatan menjadi mudah; pengapit mempunyai profil rendah dan pusat graviti rendah.
  • Terutamanya digunakan untuk mengangkat dan mengangkut I-rasuk dan rel.
  • Ia juga boleh digunakan dengan angkat untuk operasi mengangkat, dengan angkat digantung di bawah pengapit.

Spesifikasi

Spesifikasi Pengapit Pengangkat Rasuk ditanda air
ModelMuatan Berkadar (T)Lebar Rel yang Sesuai (mm)A (mm)B (mm)C (mm)E (mm)F (mm)G (mm)H (mm)Berat (kg)
YC-1175–220260180–36064215102–15525223.8
YC-2275–220260180–36074215102–15525224.6
YC-3380–320354235–490103260140–22545249
YC-5580–320354235–490110260140–225452811
YC-101090–320365320–505120280170–235504016
Spesifikasi Pengapit Rasuk Angkat

Operasi dan Aplikasi

Untuk menggunakan pengapit, putar rod skru lawan jam untuk membuka rahang, letakkan pengapit di bawah bebibir rasuk-I, kemudian putar rod skru mengikut arah jam untuk mengetatkannya dengan selamat. Sesuai untuk mengangkat dan mengangkut rasuk-I, rel, dan profil keluli yang serupa.

Pengapit Pengangkat Rasuk dengan Cincin

Pengapit Pengangkat Rasuk dengan Cincin

Pengenalan Produk

  • Diperbuat daripada keluli aloi karbon rendah berkualiti tinggi, memberikan rintangan hentaman yang sangat baik, kapasiti beban tinggi dan keliatan yang baik.
  • Rod skru boleh laras secara manual membolehkan pelarasan lebar mudah untuk memuatkan saiz rasuk yang berbeza.
  • Cincin angkat yang tebal dan tahan haus memastikan ketahanan dan mengurangkan risiko pecah.
  • Terutamanya digunakan untuk mengangkat dan mengangkut I-rasuk dan rel.

Spesifikasi

ModelMuatan Berkadar (T)Bukaan Rahang (mm)Berat (kg)
YS-11.075-2204.4
YS-22.075-2205.5
YS-33.080-32011.2
YS-55.080-32013.5
YS-1010.090-32018.5
Pengapit Pengangkat Rasuk dengan Spesifikasi Cincin

Permohonan

Pengapit Pengangkat Rasuk dengan Gelang untuk Mengendalikan Rasuk I
Pengapit Pengangkat Rasuk dengan Cincin untuk Suspensi Hoist

Pengapit Pengangkat Rasuk YT

Pengapit Pengangkat Rasuk YT

Pengenalan Produk

  • Muatan berkadar: 1–3 tan.
  • Direka untuk mengangkat dan mengendalikan rel.
  • Kompak dan ringan, dilengkapi dengan peranti pengunci keselamatan.
  • Dihasilkan daripada keluli aloi karbon rendah berkualiti tinggi.

Spesifikasi

ModelWLL (tan)Bukaan Rahang (mm)Berat (kg)
YT-11.020-1008
YT-23.0110-13522
Spesifikasi Pengapit YT Beam Lifting

Permohonan

Pengapit Pengangkat Rasuk YT untuk Pengendalian Rasuk I
Pengapit Pengangkat Rasuk YT untuk Pengendalian Rasuk I

Pengapit YD Beam Lifting

Pengapit YD Beam Lifting

Pengenalan Produk

  • Diperbuat daripada keluli aloi karbon rendah G80, menawarkan kekuatan tegangan yang sangat baik, rintangan haus dan sifat kimia yang stabil.
  • Salutan serbuk elektrostatik keseluruhan.
  • Direka untuk mengangkat dan mengendalikan rel dan I-beam.

Spesifikasi

ModelWLL (tan)Bukaan Rahang (mm)Berat (kg)
YD-11.050-1004.1
YD-22.080-13016
YD-33.0120-20032
YD-55.0200-320104
Spesifikasi Pengapit YD Beam Lifting

Isi Butiran Anda dan Kami Akan Kembali kepada Anda Dalam Masa 24 Jam!

Klik atau seret fail ke kawasan ini untuk memuat naik. Anda boleh memuat naik sehingga 5 fail.